Description
Description:
| Motor Type | IM | Feedback Control | Encoder |
| Operating Voltage | 48V-72V | Thermal Sensor | PT 1000 |
| Nominal Power | 8 kW | Ingress Protection | IP 67 |
| Peak Power | 18 kW | Cooling Method | Air Cooled |
| Rated Torque | 25 Nm | Motor Weight | 30 kg |
| Peak Torque | 65 Nm | Max Ambient Operating Temperature | 50 deg C |
| Max Speed | 7500 | Air Flow (min) | 5 m/s |
| ** Can be customized as per the requirement | |||
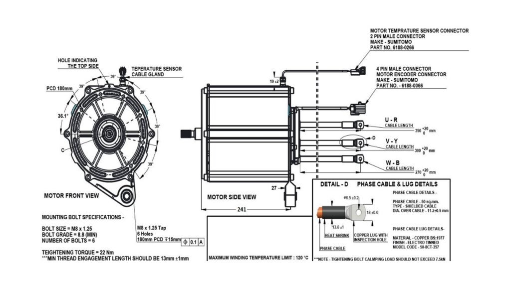
Motor Diagram:

Performance Curve:







Reviews
There are no reviews yet.