Description
Description:
| Motor Type | IPM PMSM | Feedback Control | Resolver |
| Operating Voltage | 345V | Thermal Sensor | PTC |
| Nominal Power | Up to 40kW | Ingress Protection | IP 67 |
| Peak Power | Up to 80kW | Cooling Method | Liquid cooled |
| Rated Torque | 110 Nm | Motor Weight | 40 kg |
| Peak Torque | 300 Nm | Max Ambient Operating Temperature | 55 deg C |
| Max Speed | 8000 | Air Flow (min) | 4-5 lpm |
| ** Can be customized as per the requirement | |||
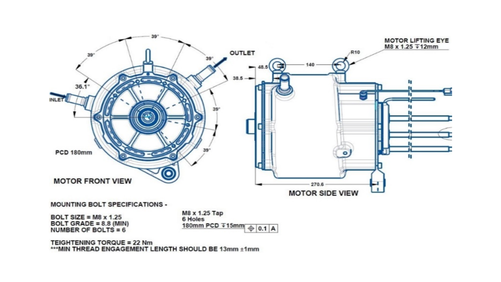
Motor Diagram:

Performance Curve:










Reviews
There are no reviews yet.